二分频电路是什么?另一个写法实现单按钮启停控制,S7-200程序
二分频电路是什么?另一个写法实现单按钮启停控制,S7-200程序
啥是二分频电路?
答案是:分频就是用同一个时钟信号通过一定的电路结构转变成不同频率的时钟信号。而二分频就是通过有分频作用的电路结构,在时钟每触发2个周期时,电路输出1个周期信号。

重点是每触发2个动作时,电路输出1个周期信号。
而开关按下和弹开就是2个动作,实现一个输出动作。
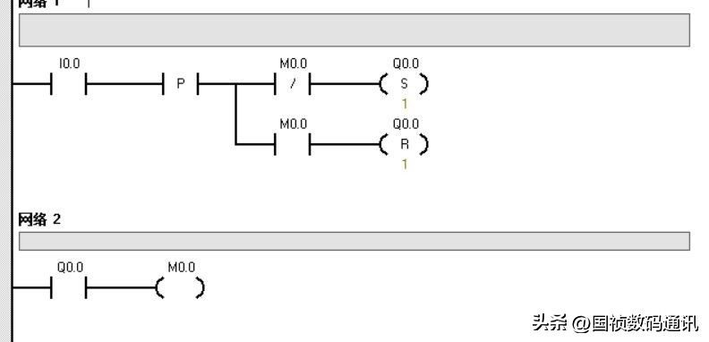
在前面的启停梯形图中就是如下的写法:

上图就是两分频电路,可以说单按钮启停都是两分频电路。
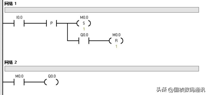
下面是另一个写法,也是可以学习的。

1、当I0.0闭合时,一个扫描周期使得M0.0置位,由于在第一个扫描周期里Q0.0还是常开,所以M0.0不会复位。
网络2在M0.0闭合后线圈Q0.0得电。
2、第二次I0.0闭合时,I0.0又产生一个扫描周期,这时候Q0.0闭合了,所以DM0.0复位。
网络2在M0.0断开后线圈Q0.0失电。
两个梯形图,你喜欢哪个呢?
欢迎留言交流。
-
- canteen什么意思
-
2025-12-22 00:22:02
-
- 云手机的原理是什么?详解比特云手机
-
2025-12-22 00:19:48
-
- 邮政快递为什么要比其他快递慢一两天,是中间多出什么环节吗
-
2025-12-22 00:17:34
-
- 什么是向上管理?如何做好向上管理?
-
2025-12-22 00:15:19
-
- 镇痛泵是什么?有什么副作用?
-
2025-12-22 00:13:05
-
- 什么是白噪音,如何加以使用?
-
2025-12-22 00:10:51
-
- 零度观点:“Wu~”跟着这声灵魂呐喊 “村BA”凭什么火出圈
-
2025-12-22 00:08:36
-
- 保安职业是干什么的?
-
2025-12-22 00:06:22
-
- 美国加州为什么要独立?原因是什么?
-
2025-12-22 00:04:08
-
- 金钱树开花的几个预兆,风水寓意和花语是什么?
-
2025-12-22 00:01:53
-
- 哇塞,车牌号有什么含义,赶紧收藏起来看看你是什么车牌号!
-
2025-12-21 23:59:39
-
- 重磅消息!天猫超市可以入驻啦要什么条件呢?
-
2025-12-21 23:57:24
-
- 中国什么时候实现十二年义务教育
-
2025-12-21 23:55:10
-
- 到底什么是“边际效益”?
-
2025-12-21 13:42:26
-
- 天梭表好吗?天梭手表属于什么档次?天梭手表值不值得拥有...
-
2025-12-21 04:01:00
-
- “三官庙”供奉的是什么神祇?
-
2025-12-21 03:58:46
-
- 祖国是什么?
-
2025-12-21 03:56:32
-
- 中国人吃饺子寓意团团圆圆,那么什么馅的饺子最好吃呢?
-
2025-12-21 03:54:17
-
- 性侵案深层次原因是什么?
-
2025-12-21 03:52:03
-
- 刑满释放,家属去接人出狱要注意什么?
-
2025-12-21 03:49:49



雪燕吃起来有酸味正常吗 雪燕是什么味道
女生说哎什么意思 女生说哎呀是什么意思
小六子是什么梗 网络用语中央开空调是什么意思
结扎有补贴吗?结扎需自费
夫妻在别人家为什么不能睡一起?夫妻不能别人家同床睡
香烟保质期是多长时间 香烟放一年没拆还能抽吗
网络用语真实你是什么意思 网络用语gzy是什么意思
女生说我醉了什么意思?女生说喝多了怎么回复
郑多燕小红帽减肥有用吗 郑多燕小红帽的作用
女生说七喜什么意思?女生说七喜暗示什么?